电 话:18921540971
传 真:0510-88232460
地 址:中国江苏无锡市五洲工业博览城澳门街84-105-106
网址:

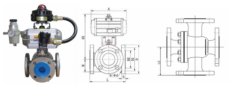
气动四通球阀
阀门型号:Q646F,Q646H
通径规格:DN50~DN500
结构形式:四通铸造阀体
阀体材质:铸钢(WCB)、不锈钢(304、316、316L)
公称压力:PN10、PN16、PN25、PN40
适用温度:-40℃~450℃
应用范围:液体、气体、油品、浆料及含固体颗粒介质
产品特点:可同时切换两种介质的流向,实现一阀多用
气动四通球阀概述:
气动四通球阀可同时对两种介质的流向进行切换,替代了以前四个阀门的复杂操作,解除了所占空间大、成本高、操作烦琐等问题,实现一阀多用的效果。气动四通球阀为X形垂直通道,它的特点是球体的两条通道为X形布置,四个通道口径均布于球体赤道圆周截面上,当球体沿顺时针旋转90时,能使相对的两个通道实现两两互通。
气动四通球阀特点:
气动四通球阀可实现正反供水切换,每转90度,供水方式切换一次,操作方便。在电站系统中称为双向供水转阀,在石化系统中也称空气换向切换阀,适用于液体、气体、粉尘、浆料及含固体颗粒介质的循环系统,如:电站机组冷却器正反向循环供水系统。
| 公称通径 | DN15~DN200(mm) |
| 公称压力 | PN1.6、2.5、4.0、6.4MPa |
| 连接形式 | 法兰式 |
| 结构形式 | 四通铸造阀 |
| 驱动方式 | 气源控制(压缩空气4-7bar) |
| 使用温度 | -40℃~450℃ |
| 控制形式 | 开关型(开关两位控制)、调节型(4~20mA信号) |
| 阀体材质 | 碳钢WCB、不锈钢304、316、316L |
| 密封材料 | PTFE(聚四氟乙烯)、PPL(对位聚苯)、金属密封(硬质合金) |
气动四通球阀换向原理:

“LL'’型四通球阀只需操作板手或执行器将球体转动90°,同时对两种介质的流向进行切换,即方便而迅速,实现一阀多用的效果。
气动四通球阀可选功能:
| 驱动方式 | 压缩空气(可带手轮) |
| 供气压力 | 0.4-0.7mpa |
| 气源接口 | G1/4"、G1/8"、G3/8"、G1/2" |
| 环境温度 | -30~+70℃ |
| 作用形式 | 单作用(弹簧复位):气关式(B)--失气时阀位开(FO);气开式(K)--失气时阀位关(FC) 双作用(通气开关):气关式(B)--失气时阀不变(FL);气开式(K)--失气时阀不变(FL) |
| 可选附件 | 定位器、电磁阀、空气过滤减压器、保位阀、行程开关、阀位传送器、手轮机构等 |