电 话:18921540971
传 真:0510-88232460
地 址:中国江苏无锡市五洲工业博览城澳门街84-105-106
网址:

电动调节蝶阀
阀门型号:D971X,D941X,D973H,D943H
通径规格:DN50~DN1200
结构形式:中线型,三偏心(对夹式,法兰)
阀体材质:铸钢WCB、不锈钢304、不锈钢316
公称压力:PN10、PN16、PN25、PN40
适用温度:-30℃~450℃
应用范围:蒸汽、水、气体、油品及高温或含杂质工况
产品特点:操作方便,省力灵巧,可实现对介质参数的调节控制
电动调节蝶阀概述:
电动调节蝶阀又称比例型电动蝶阀,即阀的开度与控制流体成比例,或者叫百分比,是由智能型电动执行器及蝶阀阀体组成,根据输入输出4-20MA信号控制,主要适用于各种工业自动化管道流量、压力、温度等进行调节。电动调节蝶阀连接方式主要有法兰式和对夹式,阀体流通能力大,对常温、干净介质,可选用阀板加软密封(橡胶圈、四氟圈)来减少泄漏(可达零泄露),高温高压工况可选用三偏心硬密封阀体。
电动调节蝶阀特点:
1、设计新颖、合理、结构独特,重量轻,启闭迅速。
2、调节型电动蝶阀操力矩小,操作方便,省力灵巧。
3、可采用不同密封座,满足低、中、高不同压力,以及不同介质温度或腐蚀性介质等。
4、执行器配有保护装置有双重限位、过热保护、过载保护。
5、智能数控,内置模块采用先进计算机单片及智能控制软件直接接收计算机或工业仪表等设备输出的标准信号,实现对阀门开度的智能控制和定位。
电动调节蝶阀标准规范:
设计标准【GB/T12238-1989 JB/T8692-1998】
法兰连接尺寸【GB/T9115.1-2000】
结构长度【H:GB/T12221-1989】
压力试验【GB/T13927-1992;JB/T9092-1999】

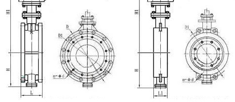
电动法兰调节蝶阀结构图 电动对夹式调节蝶阀结构图
电动调节蝶阀技术参数:
| 公称通径 | DN50~DN1200(mm) | ||
| 公称压力 | PN0.6、1.6、2.5、4.0MPa | ||
| 连接形式 | 对夹式、法兰式 | ||
| 操作方式 | 电动控制(电源驱动) | ||
| 密封形式 | 金属硬密封,软密封(可达零泄露) | ||
| 电源电压 | AC220V、AC380V(其他定制DC24等)50/60Hz | ||
| 信号反馈 | 有源信号、S无源信号 | ||
| 手动功能 | 可根据需要装配手动开阀、关阀功能 | ||
| 适用温度 | -30℃~450℃ | ||
| 动作时间 | 15秒/30秒/60秒 | ||
| 可调范围 | 50:1 | ||
| 应用场所 | 蒸汽、水、气体、油品及高温或含杂质工况 | ||
| 控制形式 | 智能调节式(输入输出4-20mA信号控制) | ||