电 话:18921540971
传 真:0510-88232460
地 址:中国江苏无锡市五洲工业博览城澳门街84-105-106
网址:

电动开关蝶阀
阀门型号:D971X,D941X,D973H,D943H
通径规格:DN50~DN1200mm
结构形式:中线式,三偏心
阀体材质:铸钢WCB、不锈钢304、316
公称压力:PN6、PN10、PN16、PN25、PN40
适用温度:-40℃~450℃
应用范围:气体、水、油品、蒸汽、腐蚀性流体
产品特点:开关及时到位,开关完成程度好,基本无误差
电动开关蝶阀简介:
电动开关蝶阀就是通常所说的电动双位切断蝶阀,一般分为全开和全关两种状态。即该电动蝶阀在电控的情况下能达到全开或全关到位后自行停止,不能直接与管路系统的流量反馈装置进行精准互动调节流量。根据连接方式的不同,主要有法兰式电动开关型蝶阀和对夹式电动开关型蝶阀,选用不同的密封结构(软密封结构和金属硬密封结构)可对应使用在不同的介质,一般适用于两位开关(快速切断)控制的场合当中。
电动开关蝶阀特点:
1.电动开关蝶阀是依靠电动执行装置来控制蝶阀的开或关,电压AC220V(可选)。
2.依靠电力来带动阀门,减少人力手工操作,省时省力。
3.开关及时到位,开关完成程度好,基本无误差。
4.电动执行器带有手动装置,在停电或执行机构故障时可以进行手动操作,确保工况正常进行。

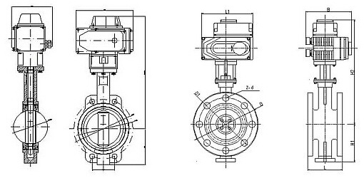
电动开关蝶阀结构图(对夹式) 电动开关蝶阀结构图(法兰式)
电动开关蝶阀技术参数:
| 公称通径 | DN50~DN1200mm |
| 公称压力 | PN0.6、1.0、1.6、2.5MPa |
| 连接方式 | 对夹式、法兰式 |
| 密封形式 | 软密封,金属密封 |
| 介质温度 | -20℃-450℃ |
| 动作方式 | 开关两位(快速切断) |
| 操作范围 | 0~90° |
| 适用介质 | 水、油品、气体、蒸汽、腐蚀性流体 |
电动开关蝶阀和电动调节蝶阀的区别:
一,开关型电动蝶阀的开启和关闭只有两个位置,要么阀门全开,要么阀门全关,不能用来做介质流量的调节控制。
二,调节型电动蝶阀可对管道中的介质流量、压力、温度等进行控制,且其三偏心密封阀芯设计能保证在半开状态下耐冲刷、耐气蚀。
电动开关蝶阀零件材料:
| 阀体 | 球墨铸钢、铸钢、合金钢、不锈钢 |
| 碟板 | 灰铸铁、球墨铸钢、铸钢、不锈钢 |
| 密封圈 | 各种橡胶、聚四氟、不锈钢 |
| 阀杆 | 2Cr13、不锈钢 |
| 填料 | O型圈、柔性石墨 |