电 话:18921540971
传 真:0510-88232460
地 址:中国江苏无锡市五洲工业博览城澳门街84-105-106
网址:

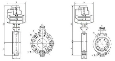
气动法兰调节蝶阀 气动对夹式调节蝶阀
气动调节蝶阀
阀门型号:D671X,D641X,D673H,D643H
通径规格:DN50~DN1200
结构形式:中线型,三偏心(对夹式,法兰)
阀体材质:铸钢WCB、不锈钢304、不锈钢316
公称压力:PN10、PN16、PN25、PN40
适用温度:-40℃~450℃
应用范围:气体、水、蒸气、油品、酸类腐蚀性等
产品特点:实现对介质流量、压力、温度等参数的调节控制
气动调节蝶阀简介:
气动调节蝶阀是利用气源驱动来调节碟板开度,从而控制介质流量大小的可调节型气动蝶阀,主要由蝶阀与气动执行器、阀门定位器及其它附件配套组合而成。气动调节蝶阀根据自动化系统中阀门定位器输入4-20MA的信号后,通过0.4-0.7MPA进气来调节阀门的开度大小,从而实现对管道中介质流量、压力、温度和液位等工艺参数的比例式调节,是调节流量和截断流体的装置。气动调节蝶阀可根据工况需要选用不同密封件(软密封和硬密封),以满足于不同的使用要求,广泛应用于化工、环保、空气、水、燃气、蒸汽及含有腐蚀性介质的管道上。
气动调节蝶阀原理:
气动蝶阀执行机构分为单作用和双作用原理,也就是常见的气动开关蝶阀和气动调节蝶阀。单作用为气关弹簧复位式和气开弹簧自动归位,单作用适用于要求常开或常闭的场所。双作用为气开气关式,开启和关闭都需要气源压力,而调节型气动蝶阀应当选用双作用方式。
气动调节蝶阀技术参数:
| 公称通径 | DN50~DN1200(mm) |
| 压力等级 | PN1.0、1.6、2.5、6.4MPa |
| 连接方式 | 法兰、对夹式连接 |
| 密封形式 | 软密封或金属硬密封 |
| 驱动方式 | 气源驱动,压缩空气4~7bar(可带手轮) |
| 动作范围 | 0~90° |
| 阀体材质 | 碳钢、不锈钢304、不锈钢316 |
| 工作场合 | 水、蒸气、油品、酸类腐蚀性等(高温场合) |
| 温度范围 | 软密封:-29℃~180℃ 硬密封:-40℃~550℃ |
| 控制方式 | 装配阀门定位器,智能调节型(4~20mA模拟量信号) |
气动调节蝶阀标准规范:
设计标准:GB/T2238-1989
结构长度:GB/T12221-1989
压力试验:GB/T13927-2000;JB/T9092-1999
法兰连接尺寸:GB/T9113.1-2000;GB/T9115.1-2000;
可调范围R:50:1
使用次数:100万次
回差:带定位器:小于全行程的2%
基本误差:带定位器:小于全行程的±2%
泄露量L/H:符合ANSI B16.104 IV级标准

气动调节蝶阀(法兰式) 气动调节蝶阀(对夹式)
气动调节蝶阀执行器参数:
执行机构 GT、AT、AW系列单双作用气动执行器 供气压力 0.5~0.7MPa 气源接口 G1/4"、G1/8"、G3/8"、G1/2" 环境温度 -30~+70℃ 作用形式 双作用执行机构:气关式(B)--失气时阀位保持(FL);气开式(K)-- 失气时阀位保持(FL) 可选附件 定位器、电磁阀、空气过滤减压器、保位阀、行程开关、阀位传送器、手轮机构等