电 话:18921540971
传 真:0510-88232460
地 址:中国江苏无锡市五洲工业博览城澳门街84-105-106
网址:

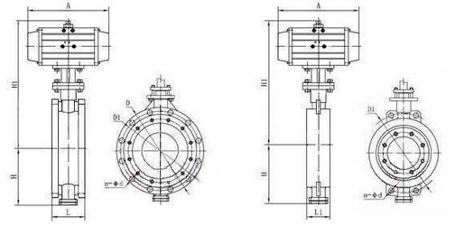
气动开关蝶阀(对夹式) 气动开关蝶阀(法兰式)
气动切断蝶阀
阀门型号:D671X,D641X,D673H,D643H
通径规格:DN50~DN1200
结构形式:中线式,三偏心
阀体材质:铸钢WCB、不锈钢304、不锈钢316
公称压力:PN6、PN10、PN16、PN25、PN40
适用温度:-40℃~450℃
应用范围:气体、水、油品、蒸汽、腐蚀性流体
产品特点:启闭速度非常快,适用于快速开关或紧急切断的场合
气动开关蝶阀简介:
气动开关蝶阀(又称气动切断蝶阀)一般用于工业管道中对介质进行开关两位的切断控制,利用气源压力带动碟板做全开或者全开的动作。气动开关蝶阀根据作用形式一般可以分为常开型或者常闭型,即阀门在不工作的状态下为打开或者关闭,它可在没有气源、断电或者气路有故障的情况下自动复位到开启或关闭的状态。气动切断蝶阀的启闭速度非常快,特别适用于快速开关或紧急切断的场合。
气动开关蝶阀应用:
气动开关蝶阀按连接方式分为法兰式和对夹式,按密封材质不同分为金属密封与软密封,可适用各种不同介质、不同温度及不同工况的场合当中,具有适应性极强,密封性能好,安装方便等优点。气动切断蝶阀可广泛应用于蒸汽、燃气、环保、石油、化工、污水等工业管道中作远距离集中控制或就地控制。
气动开关蝶阀优点:
1,气动切断蝶阀结构简单,且易于安装和拆卸、维修方便,适用范围广泛。
2,双向密封功能,可安装于任意方向,安装时不受介质流向和空间位置的影响。
3,气动切断蝶阀仅需旋转碟板90度即可完成开关动作,操作扭矩小、省力、且开关速度快。
4,单作用形式的执行机构,可有效防止工作中气源断掉或管路故障时,自动弹簧复位关闭或开启阀门。
5,气动切断蝶阀接收控制系统的开关量信号来控制阀门开关,从而达到对管路中的介质进行严密切断。
气动开关蝶阀标准规范:
设计标准:GB/T2238-1989
法兰连接尺寸:GB/T9113.1-2000;GB/T9115.1-2000
结构长度:GB/T12221-1989
压力试验:GB/T13927-2000;JB/T9092-1999
适用介质:空气、水、污水、蒸气、煤气、油品等
强度试验:0.9 1.5 2.4 3.75
密封试验:0.66 1.1 1.76 2.75
低压气密试验:0.5~0.7
适用温度:软密封:-29℃~180℃ 硬密封:-40℃~600℃

气动开关蝶阀技术参数:
| 公称通径 | DN50~DN1200(mm) |
| 压力等级 | PN0.6、1.0、1.6、2.5、6.4MPa |
| 连接方式 | 法兰式或对夹式 |
| 动作范围 | 0-90° |
| 驱动方式 | 气动控制,气源驱动(可带手轮) |
| 供气压力 | 0.4~0.7MPa |
| 密封材质 | 金属密封、四氟密封、橡胶密封 |
| 工作场合 | 液体、蒸气、油品、腐蚀性介质等 |
| 控制方式 | 开关模式(开关两位切断)气开式、气关式、弹簧复位 |
| 附件选项 | 定位器、电磁阀、空气过滤减压器、保位阀、行程开关、阀位传送器、手轮机构等 |