电 话:18921540971
传 真:0510-88232460
地 址:中国江苏无锡市五洲工业博览城澳门街84-105-106
网址:

电动保温球阀
阀门型号:BQ941、BQ971
通径规格:DN15~DN200mm
结构形式:法兰分体式、对夹整体式
阀体材质:铸钢(WCB)、不锈钢(304、316、316L)
公称压力:PN1.0、1.6、2.5MPa
适用温度:-17℃-450℃
应用范围:容易凝固的高粘度介质
产品特点:具有良好的保温保冷特性
电动保温球阀概述:
电动保温球阀一般用于夹套内走加热/伴热介质的场合,防止物料结晶堵塞管道,特别是一些不经常开关,物料流动性不是很好的地方。电动保温球阀根据使用工况不同,夹套可以是冷凝水,用于因为过热而析出晶体,也可以用热水、蒸汽和导热油等做伴热用,其具有良好的保温保冷特性,常用于输送常温下会凝固的高粘度介质。
电动保温球阀应用:
电动保温球阀主要由带夹套球阀与(开关型、调节型)电动执行机构组成,用在需要保持一定温度,或者介质冷却容易堵塞阀门,伴热保温。比如液流的保温要求在135-145度,低于指标液流会冻结,如果阀门不用蒸汽夹套的话,会造成阀门无法操作。
电动保温球阀参数:
| 公称通径 | DN15~DN200(mm) |
| 公称压力 | 1.0、1.6、2.5MPa |
| 连接形式 | 对夹、法兰 |
| 结构形式 | 分体式、整体式 |
| 驱动形式 | 电源驱动AC220V、AC380V、DC24V(其它特制) |
| 动作范围 | 0~90° |
| 阀芯结构 | O型阀芯 |
| 阀体材质 | 铸钢(WCB)、不锈钢(304、316、316L) |
| 密封材料 | PTFE(聚四氟乙烯)、PPL(对位聚苯)、金属密封(硬质合金) |
| 使用介质 | 易凝固介质 |
| 控制方式 | 开关式(两位切断)、调节型(阀门定位器4~20mA信号) |
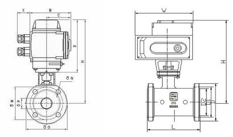
电动保温球阀结构图:

电动保温球阀可选功能:
| 可选功能 | |
| 防爆功能 | 防爆等级:Exd II BT4 |
| 调节功能 | 输入输出4-20mA、O- 5V.DC、0- 10V.DC |
| 手动功能 | 可装配手动装置,开阀、关阀功能 |