电 话:18921540971
传 真:0510-88232460
地 址:中国江苏无锡市五洲工业博览城澳门街84-105-106
网址:

电动三偏心蝶阀
阀门型号:D943H,D973H
通径规格:DN50~DN1200
结构形式:三偏心硬密封(对夹式,法兰)
阀体材质:铸钢WCB、不锈钢304、不锈钢316
公称压力:PN10、PN16、PN25、PN40
适用温度:-40℃~450℃
应用范围:燃气、水、气体、油品及腐蚀性介质
产品特点:寿命长,启闭无摩擦,使用范围广,可用于高温高压
电动三偏心蝶阀概述:
电动三偏心蝶阀采用三维偏心结构,具有适用性强、扭矩力小、摩擦少、密封性能好等优点,主要由法兰或对夹式三偏心蝶阀与电动执行器连接组成。电动三偏心蝶阀开启时,碟板即刻分离阀座密封面,减少了与密封面相互之间的摩擦和干涉,大大提升了蝶阀的使用寿命。且电动三偏心蝶阀碟板及阀座密封面均采用不锈钢材质制成,从而使蝶阀的防腐蚀性、耐温性、耐压性以及耐磨性得到了可靠的保证,属于高性能节能型电动蝶阀。
电动三偏心蝶阀应用:
电动三偏心蝶阀具有金属密封和弹性密封的双重优点,无论在低温和高温情况下,都具有优良的密封性能,并且在一些高温、高压、强腐蚀等领域也被广泛应用,主要用于石油、化工、电力、冶金、钢铁、造纸、医药、食品、纺织、轻工等行业。
电动三偏心蝶阀性能特点:
1.有电动对夹式三偏心蝶阀和电动法兰三偏心蝶阀,满足不同连接方式的管道中。
2.密封性能可靠,使用寿命长,采用三维偏心结构,蝶阀启闭时与阀体之间存在很小的摩擦。
3.采用不同阀体材质和密封圈,可适用不同温度、压力等级,耐腐蚀等各种介质;
4.三偏心结构,具有越关越紧的密封功能,操作灵活,不受介质压力的高、低影响。
5.电动三偏心蝶阀可调节蝶板密封圈向阀座靠近,恢复原有密封性能,大大提高了使用寿命。
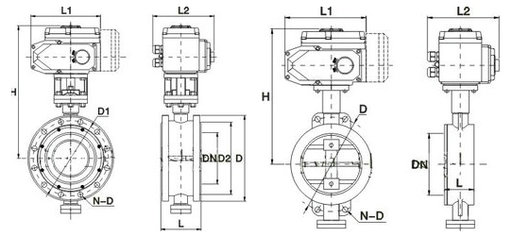
电动三偏心蝶阀外形结构:

电动三偏心蝶阀参数指导:
| 公称通径 | DN50~DN1200(mm) | ||
| 公称压力 | PN1.0、1.6、2.5、6.4MPa | ||
| 连接形式 | 对夹式、法兰式 | ||
| 密封形式 | 三偏心金属硬密封 | ||
| 电源电压 | AC220V、AC380V(其他定制DC24等) | ||
| 动作范围 | 0~90° | ||
| 泄露量 | 按GB/T4213-92,为Kv值的10-4 | ||
| 阀体材质 | 碳钢、不锈钢304、316 | ||
| 阀板材质 | 碳钢、不锈钢304、316 | ||
| 适用范围 | 水、蒸汽、环保处理、腐蚀性介质等 | ||
| 适用温度 | 碳钢:-29℃~400℃ 不锈钢:-40℃~450℃ | ||
| 执行机构 | 可选防爆型,可配手动装置 | ||
| 控制方式 | 普通开关型(开关两位控制)、智能调节(4~20mA模拟量信号控制) | ||
电动三偏心蝶阀结构原理:

1.偏离管道中 2.偏离密封面中心 3.倾斜的锥形
在双偏心蝶阀的基础上,将阀座密封面的中心与阀门中心线形成一个角偏心(角度Β),使得蝶板在开启过程中,蝶板的密封面在开启瞬间立即脱离阀座密封面,而在关闭瞬间才会接触并压紧阀座封面。这一独特的偏心组合,充分利用凸轮效应,彻底消除了阀门启闭时蝶阀密封副两密封面之间的机械磨损和擦伤,去除了磨损和泄露的可能性。变挤压密封为扭矩密封,通过调整外加驱动力矩,实现其密封比压的调整,使三偏心结构密封蝶阀的密封性能和使寿命得到很大提高。