电 话:18921540971
传 真:0510-88232460
地 址:中国江苏无锡市五洲工业博览城澳门街84-105-106
网址:

电动硬密封蝶阀
阀门型号:D943H,D973H
通径规格:DN50~DN1200
结构形式:三偏心硬密封(对夹式,法兰)
阀体材质:铸钢WCB、不锈钢304、不锈钢316
公称压力:PN10、PN16、PN25、PN40
适用温度:-40℃~450℃
应用范围:燃气、水、气体、油品及腐蚀性介质
产品特点:寿命长,启闭无摩擦,使用范围广,可用于高温高压
电动硬密封蝶阀概述:
电动硬密封蝶阀采用三偏心结构,密封面之间无摩擦传动,具有抗磨损、机械性能好、耐高温、耐高压及使用寿命长等特点,按连接方式不同分为对夹式和法兰,可用于多种不同管道,以及具有腐蚀性介质的场所。电动硬密封蝶阀密封件采用金属材料或其它较硬材质所制成,如不锈钢+硬质合金,广泛应用于介质温度≤550℃的化工、环保处理、燃气、油品、蒸汽、水及腐蚀性介质的多种管路中,做开关截断或百分比调节使用!
电动硬密封蝶阀原理:
电动硬密封蝶阀由电动执行器和金属密封蝶阀组成,通过电动执行机构的电源驱动来开启或关闭阀门,阀杆带动碟板在0-90°的范围内做来回旋转的动作。也可根据工况需要装配智能调节型执行器,对蝶阀碟板的开度大小进行任意调节,从而控制介质的温度、流量、压力、液位等各项参数的控制。在高压高温下可保持良好操作,比较耐磨损,机械性好,使用寿命长,但密封性能比软密封蝶阀较差!
电动硬密封蝶阀参数指导:
| 公称通径 | DN50~DN1200(mm) |
| 公称压力 | PN1.0、1.6、2.5、4.0MPa |
| 连接方式 | 对夹式、法兰连接 |
| 密封形式 | 金属硬密封 |
| 电源电压 | AC220V、AC380V(其他定制DC24等) |
| 动作范围 | 0~90° |
| 阀体材质 | 碳钢、不锈钢304、不锈钢316 |
| 工作场合 | 水、气体、油品及腐蚀性介质等(可高温高压场合) |
| 温度范围 | 碳钢:-29℃~450℃ 不锈钢:-40℃~450℃ |
| 控制方式 | 开关模式(开关两位控制)、智能调节型(4~20mA模拟量信号控制) |
电动硬密封蝶阀零件材质:(以下材料均可选择性)
阀体:铸铁、铸钢、不锈钢(304.316)
蝶板:铸钢、合金钢(镀硬铬)、不锈钢
密封圈:不锈钢、聚内脂、抗磨材料
阀杆:2CR13、1CR13不锈钢
填料:柔性石墨

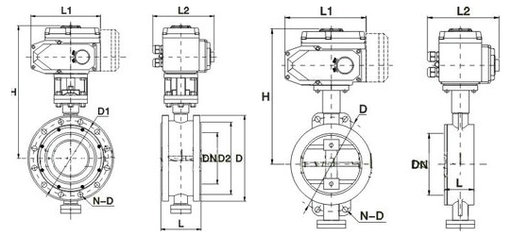
电动硬密封蝶阀结构(法兰式) 电动硬密封蝶阀结构(对夹式)
电动硬密封蝶阀和电动软密封蝶阀的区别:
1、软密封使用于低压及常压场所,硬密封可使用于中高压工况。
2、软密封用于低温,常温环境,硬密封可用于低温、常温、高温等环境。
3、软密封蝶阀多为中线型结构,硬密封一般是单偏心、双偏心和三偏心蝶阀结构。
4、软密封蝶阀比三偏心硬密封蝶阀密封性能比较好,但三偏心蝶阀在高压高温环境下可以保持良好的密封。
电动硬密封蝶阀和电动软密封蝶阀的优缺点:
1、硬密封蝶阀使用寿命长,但是密封性相对比软密封差。
2、软密封蝶阀的优点是密封性能好,缺点是容易老化、磨损、使用寿命短。
3、软密封蝶阀多适用于含腐蚀性等常温管路做启闭及调节,硬密封蝶阀多用于供热、供气、及煤气、油品、酸碱等环境。