电 话:18921540971
传 真:0510-88232460
地 址:中国江苏无锡市五洲工业博览城澳门街84-105-106
网址:

气动三偏心蝶阀
阀门型号:D643H,D673H
通径规格:DN50~DN1200
结构形式:三偏心硬密封(对夹式,法兰)
阀体材质:铸钢WCB、不锈钢304、不锈钢316
公称压力:PN10、PN16、PN25、PN40
适用温度:-40℃~450℃
应用范围:水、空气、蒸汽、腐蚀性介质、油品及食品等
产品特点:磨损小,寿命长,节能型,应用范围广,可用于高温高压
气动三偏心蝶阀概述:
气动三偏心蝶阀由气动传动机构和三偏心蝶阀组成,根据连接方式不同一般可分为法兰或对夹式,材质分为铸铁、铸钢、不锈钢等,阀体部分采用三偏心结构,阀板与密封机构设计独特,具有优良的切断性能和耐久性能,同时兼备切断、调节双重功能,属长寿命、节能型蝶阀。由于气动三偏心蝶阀的关闭和闸阀关闭一样,是靠扭矩来完成的,即阀门关闭的扭矩越大,阀座的密封性就越好,故有人称三偏心蝶阀为90°旋转闸阀。
气动三偏心蝶阀应用范围:
三偏心气动蝶阀适用于水、污水、海水、空气、蒸汽、煤气、可燃气体、腐蚀性介质、油品及食品等介质,工作温度可达550℃。广泛应用于石油、化工、冶金、电力、食品、医药、给排水、气体输送等不同介质的管路上,做开关切断或调节介质流量参数使用。
气动三偏心蝶阀性能优点:
1、采用三维偏心的密封结构,阀座与蝶板之间磨损小,且密封面耐磨损,延长了使用寿命;
2、根据连接方式分为气动对夹式三偏心蝶阀和气动法兰三偏心蝶阀,可分别使用于不同的工艺管道中;
3、大口径蝶阀蝶板可采用绗架的结构,具有强度高,过流面积大,流阻小的特点;
4、采用双向压三偏心多层次硬密封结构,具有双向密封的功能,安装时不受介质流向的限制,也不受空间位置的影响,可在任何方向安装;
5、具有金属硬密封和弹性密封的双重优点,无论在低温和高温的情况下,均具有优良的密封性能,具有耐腐蚀,使用寿命长等特点。
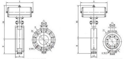
气动三偏心蝶阀外形结构:

气动法兰三偏心蝶阀结构图 气动对夹式三偏心蝶阀结构图
气动三偏心蝶阀技术参数:
| 公称通径 | DN50~DN1200(MM) | ||
| 公称压力 | PN1.0、1.6、2.5、4.0MPa | ||
| 连接形式 | 对夹式、法兰式 | ||
| 密封形式 | 三偏心金属硬密封 | ||
| 供气压力 | 0.4~0.7Mpa | ||
| 动作范围 | 0~90° | ||
| 泄露量 | 按GB/T4213-92,为Kv值的10-4 | ||
| 阀体材质 | 碳钢、不锈钢304、316 | ||
| 阀板材质 | 碳钢、不锈钢304、316 | ||
| 基本误差 | 带定位器:小于全行程的±2% | ||
| 适用温度 | 碳钢:-29℃~400℃ 不锈钢:-40℃~450℃ | ||
| 执行机构 | GT、AT、AW系列单作用、双作用气动执行器 | ||
| 控制方式 | 开关两位模式(气开气关),可调节型(4-20mA模拟量控制) | ||
气动三偏心蝶阀结构原理:

典型的三偏心气动蝶阀,除阀杆和阀板有两个偏心外,阀板和阀座的密封面呈斜圆台形(这是所谓三偏心的第三个偏心)。阀门关闭时阀板由于偏心的缘故往前推,阀板和阀座在关闭过程中不产生摩擦,阀板直接压在阀座上,这样就保证了阀门的使用寿命;另外,由于这种阀门的密封圈(不论装在阀座上或阀板上)具有一定的弹性,而且弹性圈内的凸台与弹性圈之间有少量的间隙可使弹性圈稍有位移;在阀门关闭时,受关闭力的作用,弹性体密封圈能自动移至受力最均匀的位置;再加上弹性圈的少量变形,使阀座处的密封圈均匀受力,达到密封状态。