电 话:18921540971
传 真:0510-88232460
地 址:中国江苏无锡市五洲工业博览城澳门街84-105-106
网址:

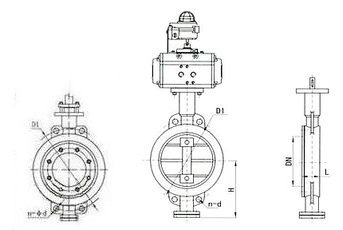
气动对夹式软密封蝶阀 气动对夹式硬密封蝶阀
气动对夹式蝶阀
阀门型号:D671X,D671F46,D673H
通径规格:DN50~DN1200
结构形式:对夹式(中线型、三偏心)
阀体材质:球墨铸铁、铸钢WCB、不锈钢304、316
公称压力:PN6、PN10、PN16、PN25
适用温度:-40℃~450℃
应用范围:污水、水、蒸气、油品、腐蚀性介质
产品特点:阀体小,结构简单,可用于空间狭窄、管道距离短的工况
气动对夹式蝶阀概述:
气动对夹式蝶阀顾名思义就是采用对夹的方式,将蝶阀夹在管道的两端法兰之间,然后用一组螺栓穿过螺栓孔固定起来。气动对夹式蝶阀的阀体体积小,阀体厚度相对比较薄,特别适合用在管道两端距离偏短或空间有限的场合里。气动对夹式蝶阀根据密封结构不同分为软密封和金属密封,其中软密封蝶阀为中线型结构,具有防腐蚀、零泄漏等优点,而硬密封蝶阀为三偏心式,具有磨损少、使用寿命长等优点。
气动对夹式蝶阀原理:
气动对夹式蝶阀是以压缩空气0.4-0.7MPA的气源为动力,驱动阀杆带动带碟板在阀体内做0-90度的旋转,达到对蝶阀全开和全关的操作控制。气动对夹蝶阀可根据工况要求,对执行器装配阀门定位器,输入4-20MA的相关信号,从而控制蝶阀碟板的开度大小,实现对管道中介质的压力、流量、温度、液位等参数的百分比精准调节。气动对夹蝶阀不仅可用于工业自动控制系统中作就地控制,也可进行远距离集中控制,是工业管道中应用优先选用的系统装置之一。
气动对夹式蝶阀附件选项:
回讯器:也叫限位开关,远程反馈开关信号
电磁阀:双作用选二位五通、单作用选二位三通
三联件:可对气源稳压、过滤、气缸加润滑油 YT-200
手轮机构:可配手轮机构,应急时实现手动开、关阀
阀门定位器:输入4~20MA信号,实现阀门调节功能
低压气密试验:0.5~0.7
强度试验:0.9 1.5 2.4 3.75
密封试验:0.66 1.1 1.76 2.75

气动对夹式蝶阀技术参数:
| 公称通径 | DN25~DN800(mm) |
| 公称压力 | PN0.6、1.0、1.6、2.5MPa |
| 驱动方式 | 气源驱动,压缩空气5~7bar(可带手轮) |
| 连接形式 | 对夹式连接 |
| 密封材料 | 软密封(橡胶、PTFE、PPL)、硬密封 |
| 使用温度 | 软密封≤180℃,金属密封≤550℃ |
| 可选配件 | 限位开关、定位器、电磁阀、减压阀 |
| 适用介质 | 污水、水、蒸气、油品、腐蚀性介质等 |
| 作用形式 | 单作用(气开、气关式)、双作用(调节控制型4~20mA) |
气动对夹式蝶阀安装须知:
气动对夹蝶阀一般不能用于管线的末端和下游需要拆卸的场合,因为当下游的法兰拆卸下来的时候,对夹式的阀门会掉下来,这种情况就必须要在另外做短节以便拆卸,而法兰式蝶阀不存在上面的问题,但是成本会比较高。
气动对夹蝶阀和法兰蝶阀用途相同,都是对介质流量进行开关或调节,它们的不同在于安装形式,当压力过大时,一般都建议法兰式蝶阀相对好一些,对于具有危险性的流体也建议使用法兰式蝶阀。